412 Series Transition Fitting | 1.50" Female NPT Thread | DR 11
412 Series Transition Fitting | 1.50" Female NPT Thread | DR 11 β Product Overview
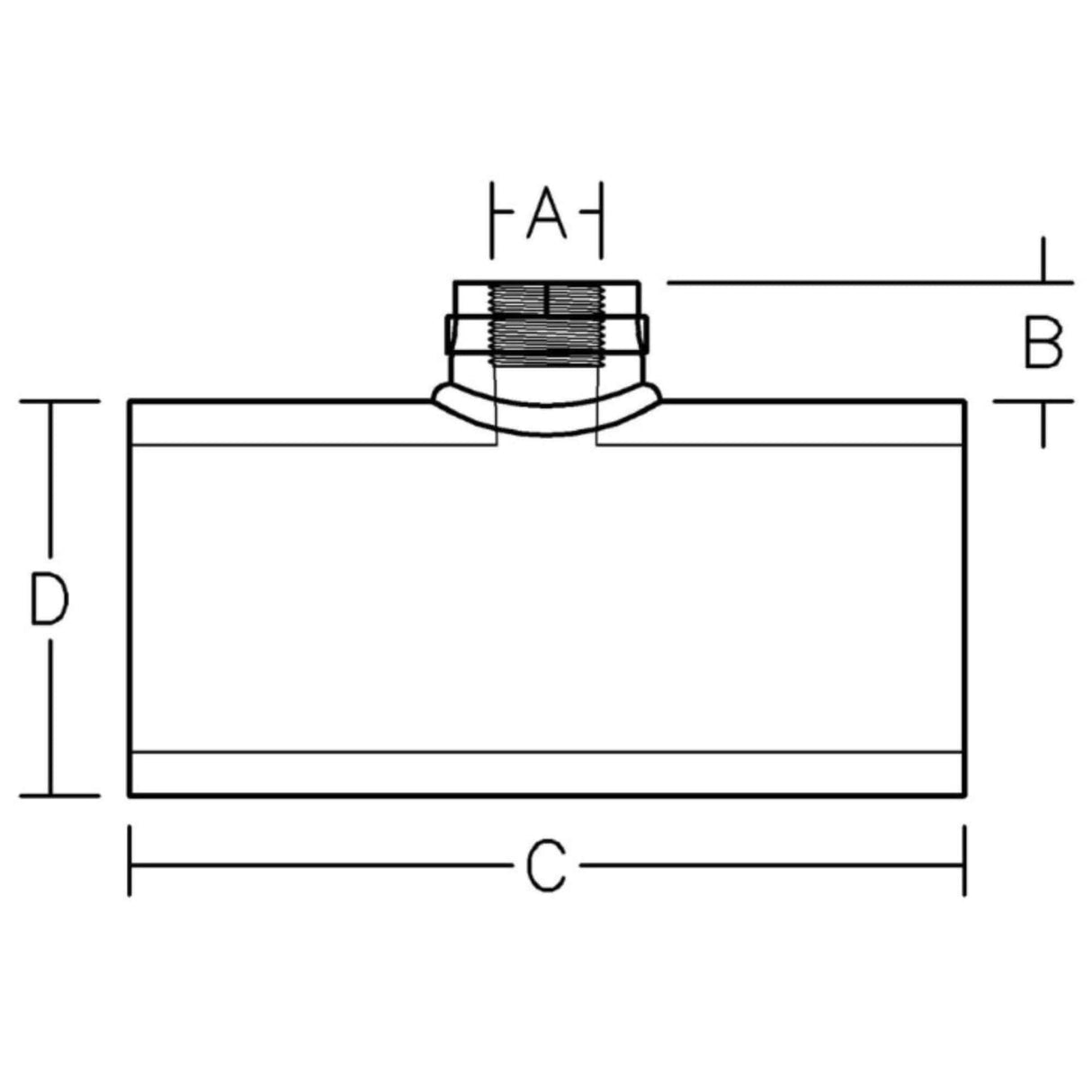
Series 412 Female NPT Thread Transition Fittings create secure, leak-proof connections between HDPE conduit and NPT-threaded equipment. This listing covers all options for 1.50" Female NPT Thread in a range of main sizes with a DR 11 pressure rating. Manufactured from rugged C954 Aluminum Bronze, 304 Stainless Steel, 316 Stainless Steel, or PVC, the barbed low-profile design hydraulically fuses to the pipe wall for a permanent, maintenance-free seal. Trusted for underground utility, industrial, and telecom applications.
Key Features & Benefits
β
Leak-Proof Fusion Seal β Barbed design permanently bonds to HDPE (2"β24" diameters)
β
Multiple Materials Available β Choose from C954 Bronze, 304 SS, 316 SS, or PVC
β
Standard 1.50" NPT Thread β Complies with ANSI/ASME B1.20.1 β 2013 standards
β
Pressure Rated DR 11 β Suitable for medium-pressure conduit systems
β
Cap-Ready Design β Install in end caps for flow control or test ports
β
Low-Profile Configuration β Allows probe or meter insertion without extended arm fittings
Technical Specifications
- Series: 412
- Outlet Thread Size: 1.50" Female NPT
- Available DR Ratings: DR 11
- Main Size Compatibility: 2" to 4" HDPE conduit
- Fusion Type: Barbed mechanical design with hydraulic compression
- Installation Method: Hydraulic fusion per PPI butt fusion guidelines
- Materials: C954 Aluminum Bronze, 304 SS, 316 SS, or PVC
- Standards: ASTM D3035, D1599, D1598, D3350; ARRA compliant
- See all Series 412 Female NPT Transition Fittings Β»
Common Applications
- Utility Metering Stations
- Industrial Process Monitoring
- Municipal and Industrial Water Systems
- Chemical and Petroleum Transfer Lines
- Geothermal System Connections
Available Configurations
| Main Size | DR Rating | Material Options | Outlet Thread |
|---|---|---|---|
| 2" | DR 11 | C954 Bronze, 304 SS, 316 SS, PVC | 1.50" Female NPT |
| 3" | DR 11 | C954 Bronze, 304 SS, 316 SS, PVC | 1.50"Female NPT |
| 4" | DR 11 | C954 Bronze, 304 SS, 316 SS, PVC | 1.50" Female NPT |
| 6" | DR 11 | C954 Bronze, 304 SS, 316 SS, PVC | 1.50" Female NPT |
| 8" | DR 11 | C954 Bronze, 304 SS, 316 SS, PVC | 1.50" Female NPT |
| 10" | DR 11 | C954 Bronze, 304 SS, 316 SS, PVC | 1.50" Female NPT |
| 12" | DR 11 | C954 Bronze, 304 SS, 316 SS, PVC | 1.50" Female NPT |
| 16" | DR 11 | C954 Bronze, 304 SS, 316 SS | 1.50" Female NPT |
| 20" | DR 11 | C954 Bronze, 304 SS, 316 SS | 1.50" Female NPT |
| 24" | DR 11 | C954 Bronze, 304 SS, 316 SS | 1.50" Female NPT |
Note: All fittings include machine-finished threads and precision-machined barbs for optimal fusion and field reliability.
Note #2: This listing is for 1.50" Female NPT Thread outlet fittings only. Be sure to select the correct main pipe size from the dropdown menu above.
DR Compatibility Matrix
| Main Size | DR 7 | DR 9 | DR 11 | DR 17 |
|---|---|---|---|---|
| 2" | β | β | β | β |
| 3" | β | β | β | β |
| 4" | β | β | β | β |
| 6" | β | β | β | β |
| 8" | β | β | β | β |
| 10" | β | β | β | β |
| 12" | β | β | β | β |
| 16" | β | β | β | β |
| 20" | β | β | β | β |
| 24" | β | β | β | β |

