Series 509 - 90 Degree Elbow with Groove Transition
Series 509 - 90 Degree Elbow with Groove Transition — Product Overview
Engineered for seamless integration between HDPE piping and grooved steel systems, the Series 509 90-Degree Elbow with Groove Transition delivers unmatched durability and performance. Featuring a multi-level barbed design and hydraulically compressed construction, this fitting ensures a secure, leak-proof seal even under extreme pressure fluctuations. Available in sizes from 1” to 8” IPS, it meets ASTM and ARRA standards for reliability you can trust.
Key Features & Benefits
- Pressure-Activated Seal: Multi-level barbs tighten under pressure to prevent leaks, while pipe relaxation ensures stability at zero internal pressure.
- 50-Year Lifespan: Designed with a 2:1 safety factor at 73.4°F to match HDPE pipe pressure ratings, guaranteeing decades of service.
- Universal Compatibility: Grooves cut to standard specifications for easy integration with existing grooved steel systems.
- Corrosion Resistance: Choose from Carbon Steel (epoxy-coated), 304/316 Stainless Steel, or ERW pipe—all compliant with NSF 61, FDA, and AWWA standards.
Technical Specifications
- Sizes: 1” to 8” Iron Pipe Sizes (IPS).
- HDPE Pipe: Meets ASTM D3350 (PE3408/PE4710), F714, and D3035. Density ≥0.955 g/cm³, tensile strength 3,200–3,500 psi, ESCR ≥5,000 hours (zero failures).
- Certifications: ASTM 1598, 1599, ARRA, UL 262, FM 1120/1130.
Installation Guidelines
- HDPE Pipe: Follow Plastic Pipe Institute’s butt fusion procedures for field welds.
- Steel Fitting: Tapered coupling entrance allows cold-pressing of HDPE/copolymer into multi-level barbs—no heat required.
- Avoid over-tightening; use compatible grooving tools to maintain integrity.
Material & Compliance
- Steel Options: Carbon Steel (A53/A106, epoxy-coated to NSF 61/FDA 175.300), 304/316 Stainless (ASTM A249/A269), or ERW pipe (ASTM SA-312).
- HDPE: ASTM-certified with ≤0.15 g/10 min melt index (ASTM D1238).
- Certifications: Available upon request.
Warranty: 1 year from the date of installation completion.
Optimize your pipeline’s longevity and performance with Poly-Cam’s Series 509—where precision engineering meets industry-leading compliance. Contact us for technical data or certification details.
Order Guide
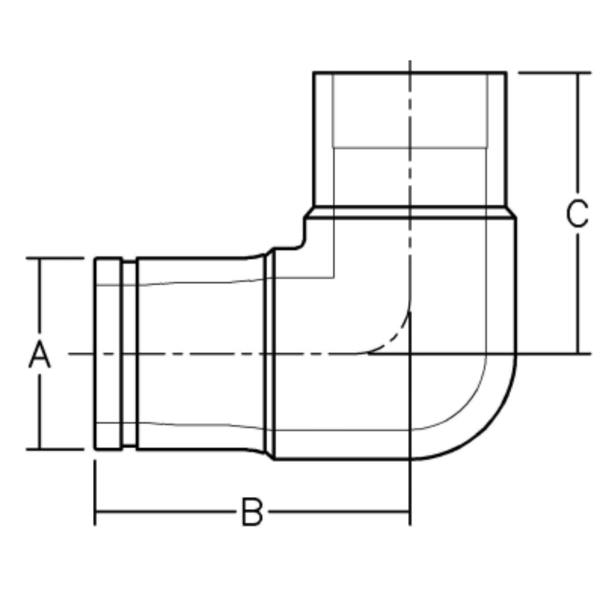
| Nominal Size (ln.) | POLY-CAM Groove Material | Coupling Diameter A | HDPE Length B | HDPE Length C |
|---|---|---|---|---|
| 0.75 | Carbon Steel, C954 Bronze, Stainless 316, Stainless 304 | 1.05 | ~2.94 | 2.94 |
| 1 | Carbon Steel, C954 Bronze, Stainless 316, Stainless 304 | 1.315 | ~3.06 | 3.06 |
| 1.25 | Carbon Steel, C954 Bronze, Stainless 316, Stainless 304 | 1.66 | ~4.50 | 4.5 |
| 1.5 | Carbon Steel, C954 Bronze, Stainless 316, Stainless 304 | 1.9 | ~4.50 | 4.5 |
| 2 | Carbon Steel, C954 Bronze, Stainless 316, Stainless 304 | 2.375 | ~5.06 | 5.06 |
| 3 | Carbon Steel, C954 Bronze, Stainless 316, Stainless 304 | 3.5 | ~5.63 | 5.63 |
| 4 | Carbon Steel, C954 Bronze, Stainless 316, Stainless 304 | 4.5 | ~6.75 | 6.75 |
| 6 | Carbon Steel, Stainless 316, Stainless 304 | 6.625 | ~8.25 | 8.25 |
| 8 | Carbon Steel, Stainless 316, Stainless 304 | 8.625 | ~11.81 | 11.81 |

