Stainless Steel Expansion Deflection Fittings | Type 316 | One-Piece Compact Design | Polished Brite Finish
Stainless Steel Expansion Deflection Fittings | Type 316 | One-Piece Compact Design | Polished Brite Finish
Calbrite Stainless Steel Expansion/Deflection Fittings provide the flexibility and durability needed for conduit systems exposed to movement, vibration, or misalignment. These fittings are ideal for long conduit runs where expansion, contraction, or deflection may occur, ensuring a secure connection that maintains ground continuity without the need for an external bonding jumper.
Manufactured from Type 316 stainless steel, these fittings offer outstanding corrosion resistance, making them the preferred choice for industrial, commercial, and sanitary applications. The one-piece compact design simplifies installation, reduces storage space, and ensures easy handling while maintaining maximum durability and performance.
Key Features & Benefits
- Durable & Flexible: Designed to handle expansion, contraction, angular misalignment, and deflection in conduit systems.
- Type 316 Stainless Steel Construction: Provides superior corrosion resistance for harsh and sanitary environments.
- Ground Continuity: No external bonding jumper required — built to maintain safe, consistent electrical grounding.
- Compact One-Piece Design: Simplifies installation, reduces cost, and saves space for efficient storage.
- Trusted Quality: Built to Calbrite’s exacting standards for reliable performance in demanding environments.
Specifications
- Material Type: Stainless Steel – Type 316
- Design: One-Piece Compact Body
- Bonding: Internal Ground Continuity – No External Jumper Required
- Brand: Calbrite
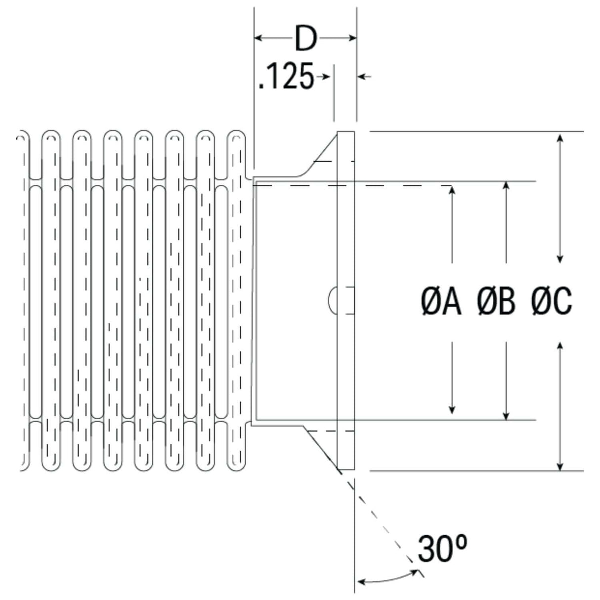
Dimensional Data
| Part Number | Trade Size (in) | A (in) | B (in) | C (in) | D (in) | Overall Length (in) | Weight (lb each) |
|---|---|---|---|---|---|---|---|
| S60500EXDF | 1/2 | 0.860 | 0.860 | 1.700 | 0.590 | 12.750 | 1.05 |
| S60700EXDF | 3/4 | 1.070 | 1.070 | 1.930 | 0.590 | 11.500 | 1.50 |
| S61000EXDF | 1 | 1.330 | 1.330 | 2.200 | 0.740 | 11.500 | 1.65 |
| S61200EXDF | 1¼ | 1.680 | 1.680 | 2.570 | 0.740 | 11.750 | 2.40 |
| S61500EXDF | 1½ | 1.920 | 1.920 | 2.800 | 0.740 | 12.000 | 2.55 |
| S62000EXDF | 2 | 2.390 | 2.390 | 3.330 | 0.740 | 12.000 | 3.85 |
| S62500EXDF | 2½ | 2.890 | 2.890 | 3.910 | 1.130 | 12.500 | 6.55 |
| S63000EXDF | 3 | 3.520 | 3.520 | 4.600 | 1.130 | 13.000 | 8.85 |
| S64000EXDF | 4 | 4.520 | 4.520 | 5.600 | 1.130 | 13.500 | 12.20 |
Applications
- Industrial conduit runs requiring expansion or deflection capability
- Outdoor, marine, or corrosive environments
- Food and beverage processing facilities
- Pharmaceutical and cleanroom installations
Brand Availability
- Calbrite

